电容品牌: BIGCAP®
引出方式: 导针引出
标称容量: 0.1F~20F
额定电压: 2.7V
计量单位: 只
外型结构: 圆柱
耐温性能: -40℃~+85℃
导针型超级电容器示意图:
|
型号 Part Number |
额定电压 Nominal Voltage,V |
容量 Capacitance, F |
容量允许偏差 Cap.Tolerance |
最大内阻 ESR(Max), mΩ |
尺寸 Size, mm |
||||
|
AC@1kHz |
DC |
ΦD×L ±1.0 |
Φd ±0.1 |
F ±0.5 |
L1 ±2.0 |
||||
|
BRT002R7L224FB |
2.7 |
0.22 |
±20% |
500 |
750 |
5×9.8 |
0.5 |
2 |
28 |
|
BRT002R7L335FB |
2.7 |
3.3 |
±20% |
100 |
150 |
10×16 |
0.6 |
5 |
30 |
|
BRT002R7L505FA |
2.7 |
5.0 |
±20% |
70 |
105 |
10×20 |
0.6 |
5 |
30 |
全密封型产品示意图 Shape of full seal structure supercapacitor:

|
型号 Part Number |
额定电压 Nominal Voltage,V |
容量 Capacitance, F |
容量允许偏差 Cap.Tolerance |
最大内阻 ESR(Max), mΩ |
尺寸 Size, mm |
||||
|
AC@1kHz |
DC |
ΦD×L ±1.0 |
Φd ±0.1 |
F ±0.5 |
L1 ±1.0 |
||||
|
BRT002R7L106FHWZ |
2.7 |
10 |
0~+40% |
60 |
90 |
12×32 |
0.6 |
5 |
6 |
|
BRT002R7L106FEWZ |
2.7 |
10 |
0~+40% |
60 |
90 |
12×32 |
0.7 |
5 |
6 |
|
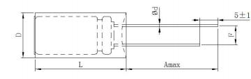
型号 Part Number |
额定电压 Nominal Voltage,V |
容量 Capacitance, F |
容量允许偏差 Cap.Tolerance |
最大内阻 ESR(Max), mΩ |
尺寸 Size, mm |
||||
|
AC@1kHz |
DC |
ΦD×L ±1.0 |
Φd ±0.1 |
F ±0.5 |
A max |
||||
|
BRT002R7L505FBWZ |
2.7 |
5.0 |
-10%~+20% |
70 |
105 |
12×24 |
0.6 |
5 |
29 |
1.圆柱外形结构,超低内阻;
2.符合ROHS标准,无Cd、Pb等污染物质;
3.充放电循环寿命长;
4.适合中大功率放电;
5.耐温高,可在+85℃的环境下使用。
1.工作电流100mA~几百A,工作时间微秒级至几分钟;
2.可用于启动装置、雷管、税控机,玩具,电力设备等。
下一篇:敬请期待
科学的质量管理、精细的超级电容器制造过程