EN
全国免费客服电话:

400-099-0421

首页 了解博艾格 BIGCAP®超级电容器 博艾格优势 应用案例 技术支持 人才计划 全密封-BMT 全密封-BGW 联系我们
纽扣类

科学的质量管理、精细的超级电容器制造过程,优质的产品技术支持以及售后服务

纽扣耐高温系列 -25℃~+85℃
纽扣耐高温系列 -25℃~+85℃

电容品牌:BIGCAP®

标称容量:0.1F~1.5F

额定电压:3.6V~5.5V

计量单位:只

外形结构:VHC型多种结构

耐温性能:25~85

在线咨询
  • 产品参数表
  • 产品特点
  • 产品应用
  • 产品性能
  • 型号 额定电压 容量
    F
    容量
    允许偏差
    内阻 尺寸
    AC@1kHz DC ΦD×H P±0.5mm
    BCT003R6C104FS 3.6 0.1 ±20% 40 60 13.5×7.3 5
    BCT003R6H104FS 3.6 0.1 ±20% 40 60 11.5×6.0   10
    BCT003R6V104FS 3.6 0.1 ±20% 40 60 11.5×12.5 5
    BCT003R6C224FS 3.6 0.22 ±20% 40 60 13.5×7.3 5
    BCT003R6H224FS 3.6 0.22 ±20% 40 60 11.5×6.0   10
    BCT003R6V224FS 3.6 0.22 ±20% 40 60 11.5×12.5 5
    BCT003R6C334FAS 3.6 0.33 ±20% 50 75 13.5×7.3 5
    BCT003R6H334FAS 3.6 0.33 ±20% 50 75 11.5×6.0 10
    BCT003R6V334FAS 3.6 0.33 ±20% 50 75 11.5×12.5 5
    BCT003R6C334FBS 3.6 0.33 ±20% 50 75 13.5×7.3 5
    BCT003R6H334FBS 3.6 0.33 ±20% 50 75 11.5×6.0   10
    BCT003R6V334FBS 3.6 0.33 ±20% 50 75 11.5×12.5 5
    BCT003R6C474FS 3.6 0.47 ±20% 40 60 13.5×7.3 5
    BCT003R6H474FS 3.6 0.47 ±20% 40 60 11.5×6.0   10
    BCT003R6V474FS 3.6 0.47 ±20% 40 60 11.5×12.5 5
    BCT005R5V224FBS 5.5 0.22 ±20% 75 112 11.5×12.5 7.5
    BCT005R5V334FS 5.5 0.33 ±20% 60 90 11.5×12.5 7.5



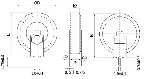
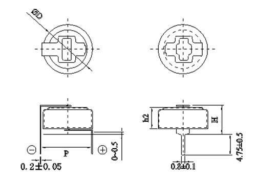
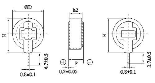
    V型



    H型



    C型


    型号 额定电压 容量
    F
    容量
    允许偏差
    内阻 尺寸
    AC@1kHz DC ΦD×L P±0.5mm
    BCT003R6C105FS 3.6 1 ±20% 15 22.5 20.5×7.6 5
    BCT003R6H105FS 3.6 1 ±20% 15 22.5 19×6.5 20
    BCT003R6V105FS 3.6 1 ±20% 15 22.5 19×20.5 5
    BCT003R6C155FS 3.6 1.5 ±20% 10 15 20.5×7.6 5
    BCT003R6H155FS 3.6 1.5 ±20% 10 15 19×6.5 20
    BCT003R6V155FS 3.6 1.5 ±20% 10 15 19×20.5 5
    BCT005R5V684FS 5.5 0.68 ±20% 30 45 19×20.5 8
    BCT005R5C684FS 5.5 0.68 ±20% 45 67.5 20.5×10 5
    BCT005R5C105FS 5.5 1 ±20% 20 30 20.5×10 5
    BCT005R5V105FS 5.5 1 ±20% 25 37.5 19×20.5 8



    V型 



    H型



    C型


    1.V、H、C型多种结构,安装时可选择; 

    2.符合ROHS标准,无Cd、Pb等污染物质; 

    3.充放电循环寿命长; 

    4.漏电流低,适合时钟芯片数据保持。

    1.工作电流μA~几百mA,工作时间秒级至几个月;

    2.可用于手摇手电筒、电表、时钟保持、家电控制器、玩具等。

    在标准大气压,温度5 ~35 ℃,相对湿度小于85 %条件下进行测试;本规格书标准测试条件为标准大气压,温度25 ℃,相对湿度小于60%。

    上一篇:纽扣-H型

    下一篇:敬请期待

    源于专业 品质为先

    Originate from professional quality first

    推荐产品

    科学的质量管理、精细的超级电容器制造过程

    官方抖音号 官方抖音号

    联系我们

    全国免费客服电话: 400-099-0421

    销售部电话:15704219718(微信同步)代理商、经销商合作洽谈专线:13504168362 人事部、采购部、行政部座机:0421-7188266

     QQ咨询:1687188000(客服) Email:info@bigcap.net、1687188000@qq.com 公司地址:辽宁省朝阳市高新技术园区标准化厂房二期3号


    Copyright © 2018 博艾格 All rights reserved 辽ICP备13006931号 网站建设:网势科技

    电话

    信息

    分享